PowerFlex® 755T drive products provide harmonic mitigation, regeneration, non-regenerative, and common bus solutions that help reduce energy costs, gain flexibility, and increase productivity. PowerFlex drives use TotalFORCE® technology to achieve motor control through precise, adaptive control of torque, velocity, and position. TotalFORCE technology incorporates several patented features that are designed to help optimize your system and maintain productivity through improved machine uptime.
Reference Architectures
- Standard System
- Safety System
- Security 62443-4-2 Certified System
Standard System
PowerFlex 755T Drives Overview
Safety System
Safe Stop Functional Safety
Security 62443-4-2 Certified System
Develop Secure Applications
Use and Operation
Control Block Diagrams

- Line Side Converter (PowerFlex 755TL Drives, 755TR Drives, and 755TM Bus Supplies)
- Motor Side Inverter
Motor Side Inverter
11-Series & 22-Series Inputs & Outputs Diagrams
Miscellaneous Diagrams
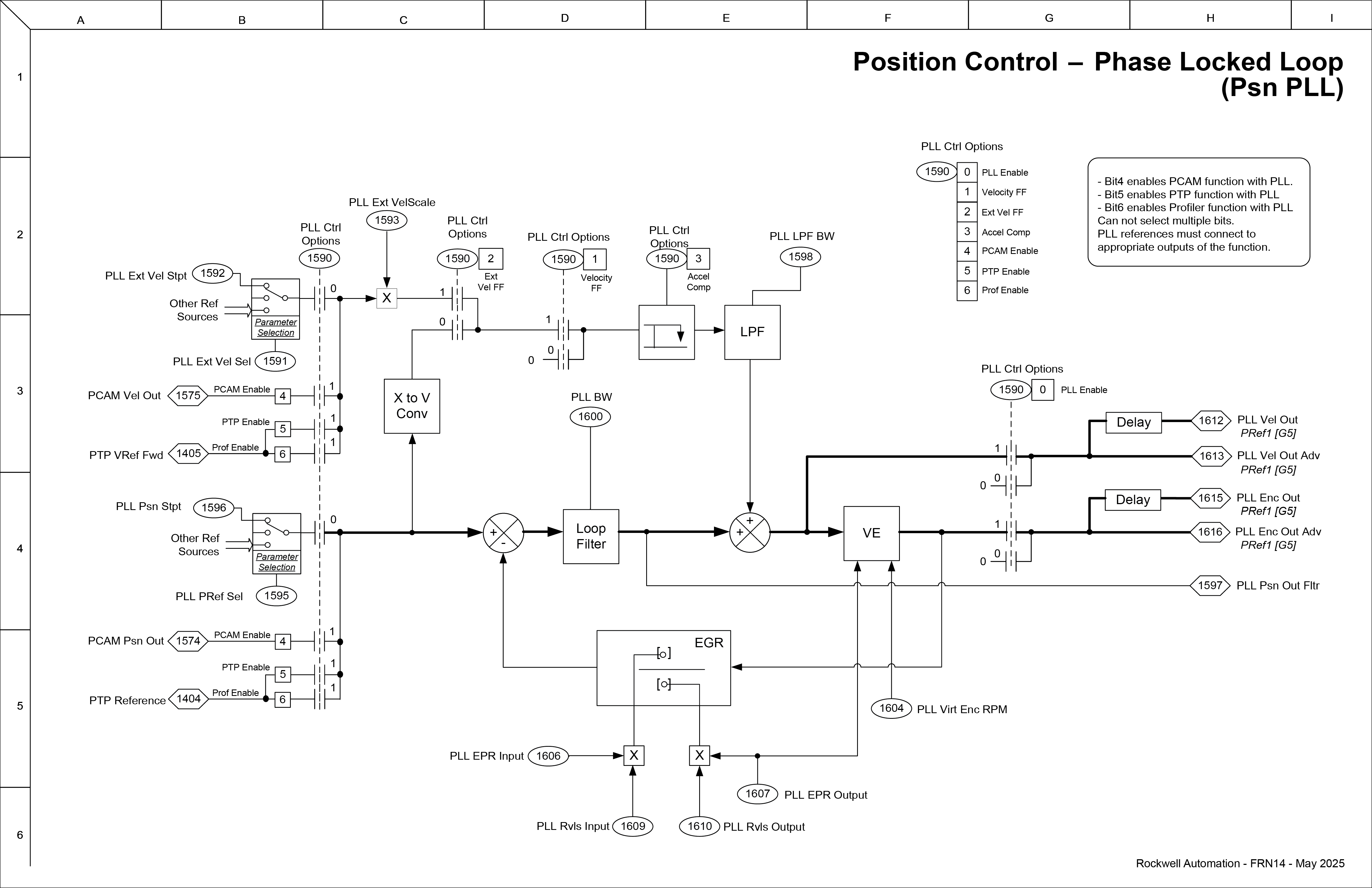
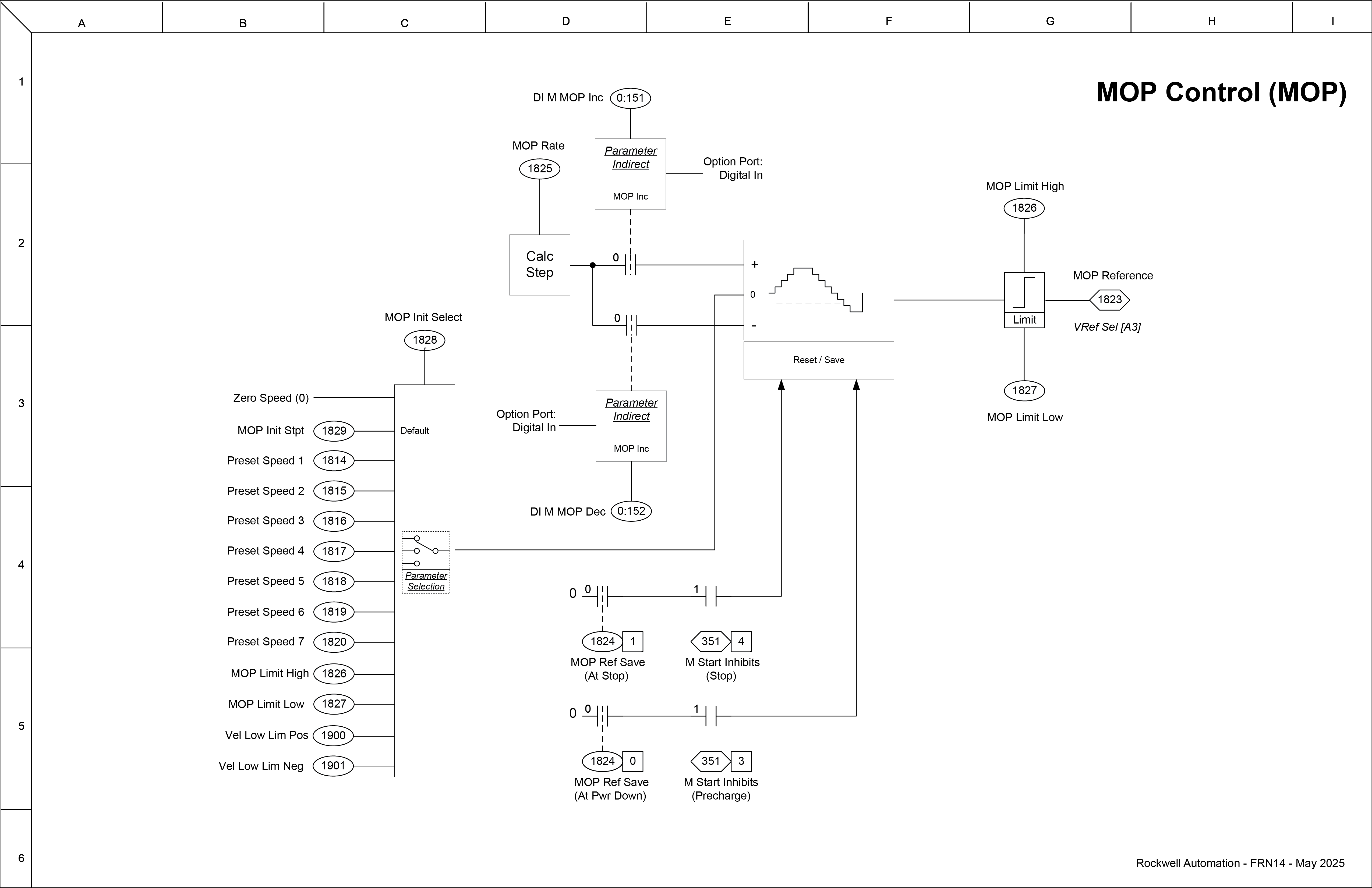
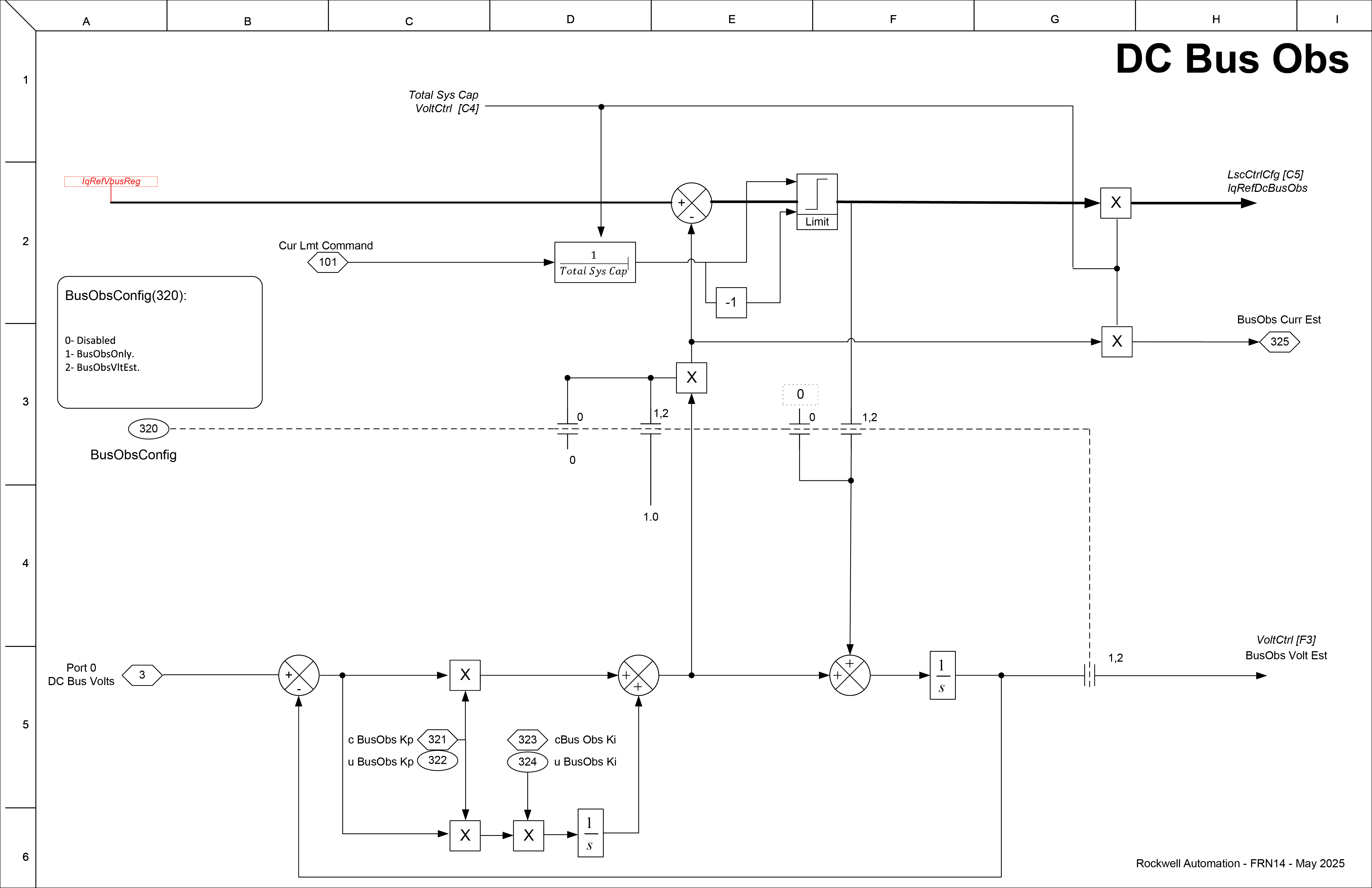
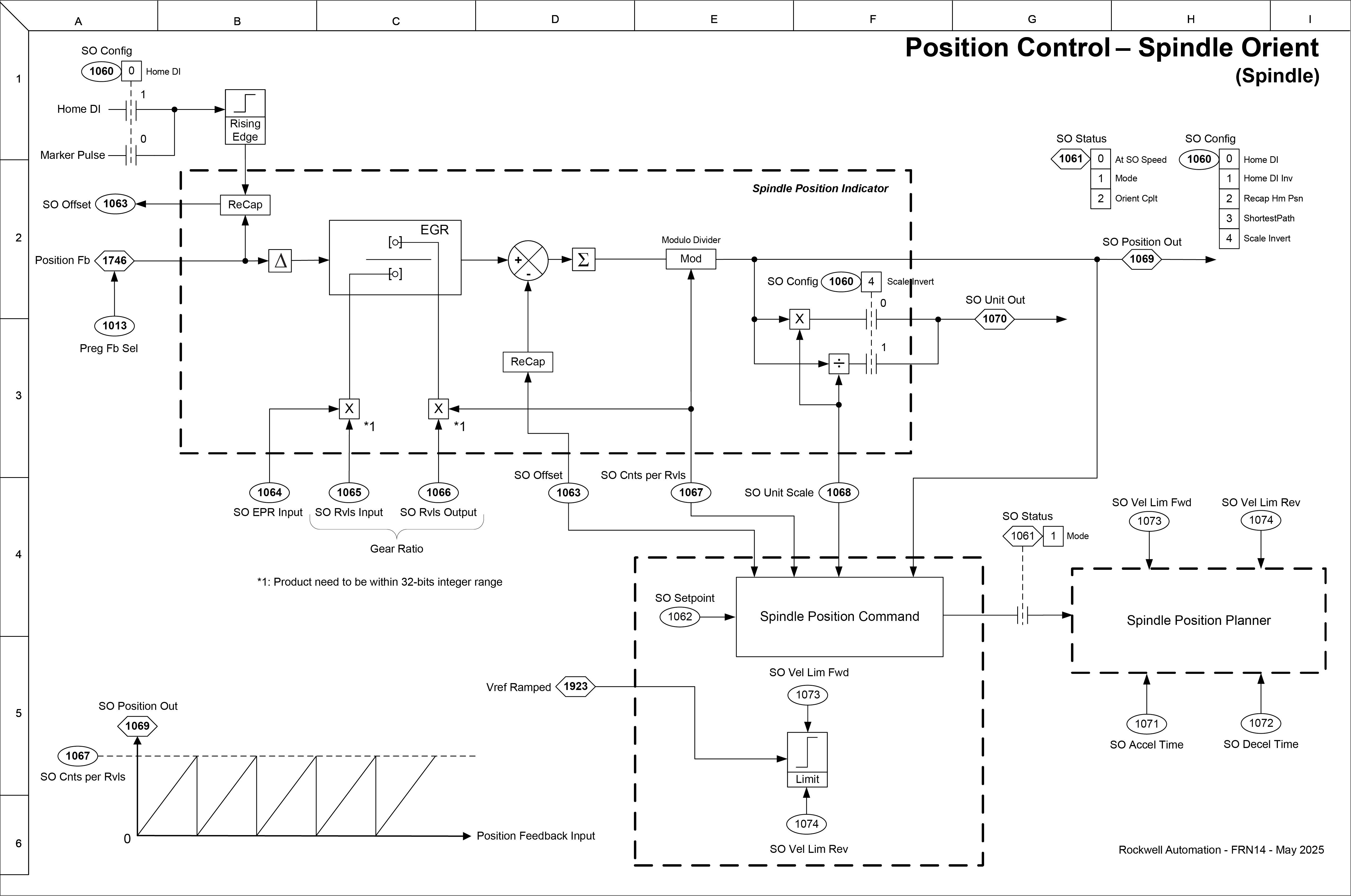
Position Control, Homing, Reference, and Regulator Diagrams
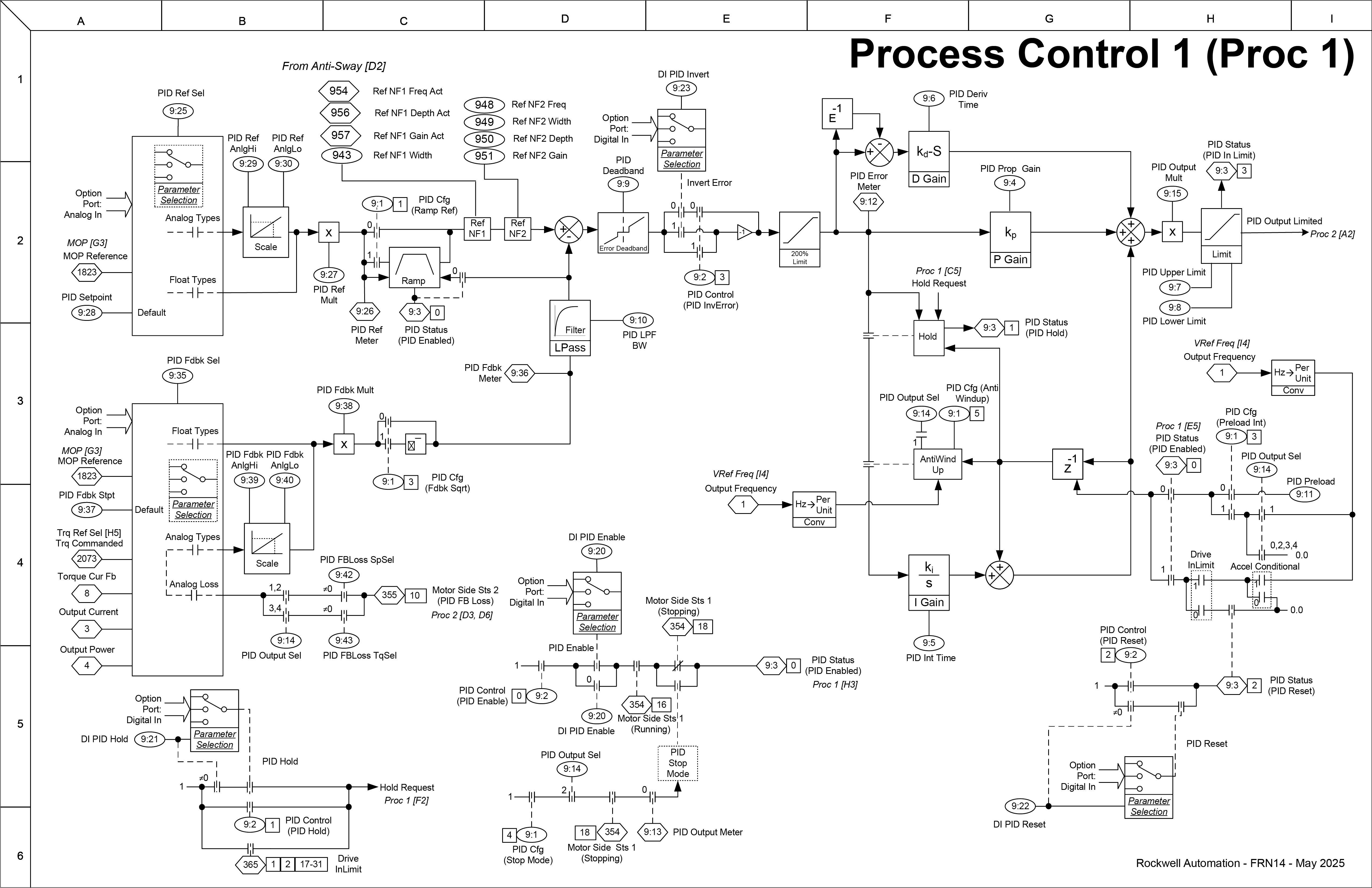
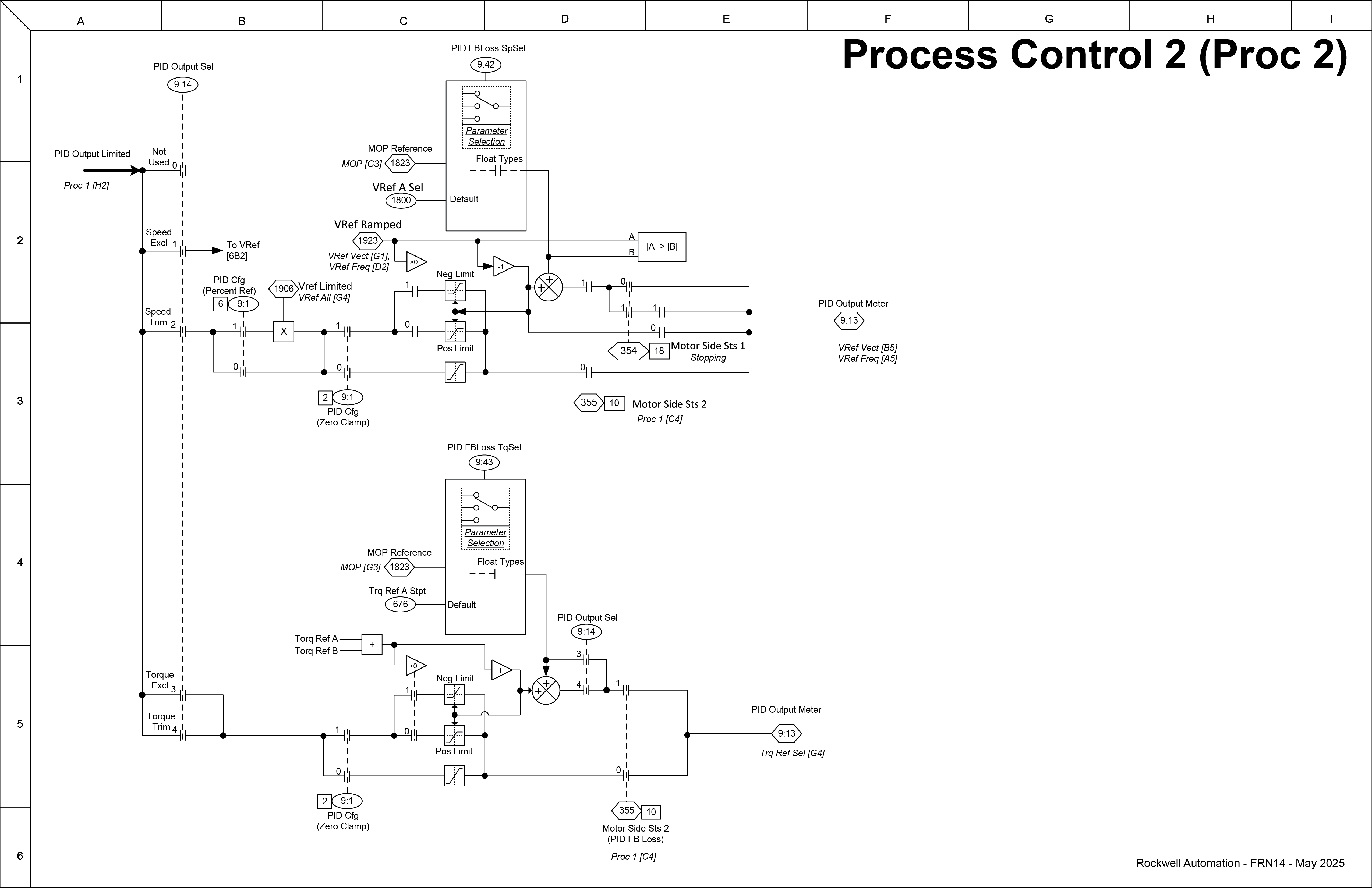
Process Control Diagrams
Torque Control, Filters, Overview, and Reference Diagrams
Velocity Reference and Regulator Diagrams