Módulos analógicos de 4 saídas 5034-OF4 e 5034-OF4XT
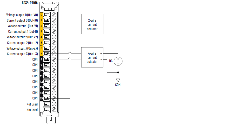
Diagrama de fiação do 5034-OF4 e do 5034-OF4XT - Modo de corrente

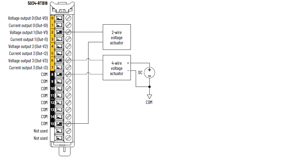
Diagrama de fiação do 5034-OF4 e do 5034-OF4XT - Modo de tensão

Diagrama de bloco de funções do 5034-OF4 e do 5034-OF4XT

Atributo | 5034-OF4, 5034-OF4XT |
|---|---|
Faixa de saída, tensão | ±10 V 0 a 10 V 0 a 5 V |
Faixa de saída, corrente | 0 a 20 mA 4 a 20 mA |
Resolução, tensão | ±10V: 15 bits 0 a 10V: 16 bits 0 a 5V: 16 bits |
Resolução, corrente | 16 bits |
Precisão de calibração a 25 °C (77 °F) | Tensão: 0,10% da escala completa Corrente: 0,10% da escala completa |
Precisão de calibração acima da faixa completa de temperatura -25 a +60 °C (-13 a +140 °F) | Tensão: 0,2% da escala completa Corrente: 0,2% da escala completa |
Capacidade do inversor | Tensão: 3000 Ω mín. Corrente: 500 Ω máx. |
Carga capacitiva, máx. (somente modo de tensão) | 1 µF |
Carga indutiva, máx. (somente modo de corrente) | 1 mH |
Compatibilidade com terminal HART portátil | Sim |
Detecção de fio interrompido | Somente modo de corrente |
Detecção de curto-circuito | Somente modo de tensão – Saída limitada eletronicamente a 16 mA ou menos |
Formato de dados | IEEE 754 Ponto flutuante de 32 bits |
Método de conversão do módulo | DAC |
Update rate | 1 canal: 0,2 ms Todos os canais: 0,4 ms |
Tempo de resposta da etapa para 63% da escala completa por canal | Modo de tensão: 0,07 ms típico Modo de corrente: 0,4 ms típico |
Tempo de resposta do backplane ao parafuso (63% da escala completa) | Modo de tensão 1 canal: 0,5 ms típico Todos os canais: 1 ms típico Modo de corrente: 1 canal: 0,9 ms típico Todos os canais: 1,4 ms típico |
Proteção contra sobretensão, máx. | 32 Vcc |
Atributo | 5034-OF4, 5034-OF4XT |
|---|---|
Número de saídas | 4 canais, terminação única Modo de corrente ou tensão configurável no nível do canal |
Tensão de alimentação SA, nom. | 24 Vcc |
Faixa de tensão da alimentação SA | 10 a 30 Vcc |
Corrente de alimentação SA, nom. | 100 mA |
Corrente de alimentação SA, máx. | 0,25 A |
Corrente de alimentação SA sem carga | 40 mA |
Proteção contra polaridade reversa do lado do campo (SA) | Sim |
Dissipação de energia, máx. | 0,95 W |
Dissipação térmica, máx. | 3,24 BTU/h |
Tensão de isolação | 250 V (contínuo), Tipo de isolamento básico, do sistema para o campo Nenhum isolamento entre as portas de saída e alimentação SA Nenhum isolamento entre as portas de saída individuais |
Calibração | Calibrado de fábrica Calibração manual compatível, consulte o Manual do usuário
dos Módulos de E/S Analógica PointMax, publicação 5034-UM003 |
Suporte de remoção e inserção sob alimentação | Sim |
Codificação eletrônica | Codificação eletrônica via software de programação |
Posições das teclas do borne removível (slot) | 2, 5, 10 |
Bornes removíveis compatíveis | 5034-RTB18, 5034-RTB18S |
Categoria de fiação (1) | 2 - Portas de sinal 2 - Portas de alimentação |
Especificação da fiação | Consulte Especificações de fiação para bornes removíveis nos
dados técnicos das especificações do sistema PointMax I/O,
publicação 5034-TD001 |
Indicadores | 1 indicador de status do módulo verde/vermelho 1 indicador de status de alimentação SA verde/vermelho 4 indicadores de status de E/S amarelos/vermelhos |
Dimensões (AxLxP), aprox. | 123,6 x 15,0 x 66,4 mm (4,87 x 0,59 x 2,61 pol.) |
Peso, aprox. | 47,0 g (1,66 oz.) – 5034-OF4 49,0 g (1,73 oz.) – 5034-OF4XT |
Tipo de gabinetes | Nenhum (Estilo aberto) |
Código de temperatura norte americano | T4 |
Código de temperatura UKEX/ATEX | T4 |
Código de temperatura IECEx | T4 |
(1) Use essas informações de categoria do condutor para
planejar o roteamento dos cabos. Consulte a Orientação sobre
fiação de automação industrial e aterramento, publicação
1770-4.1
(Industrial Automation Wiring and Grounding Guidelines). Use
essas informações de Categoria de condutor para planejar o
roteamento de condutores conforme descrito no Manual de
instalação no sistema apropriado. | |
Dê sua opinião