Alimentação de expansão MOD e SA 5034-EXP e 5034-EXPXT
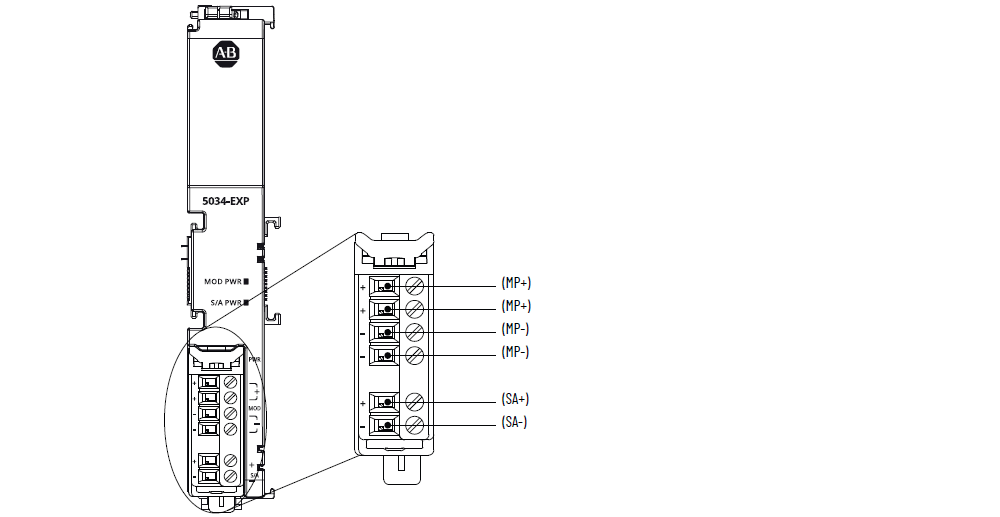
Diagrama 5034-EXP e 5034-EXPXT

Atributo | 5034-EXP, 5034-EXPXT |
|---|---|
Número de MBs compatíveis | 16 para 18 a 30 Vcc 8 para 10 a 18 Vcc |
Tensão do MP, nom. | 24 Vcc, SELV |
Faixa de tensão MP | 10 a 30 Vcc, SELV |
Corrente MP, nom. | 420 mA a 24 Vcc |
Corrente MP, máx. | 550 mA a 10 Vcc (8 MB) 590 mA a 18 Vcc (16 MB) 370 mA a 30 Vcc (16 MB) |
Corrente de energização MP, máx. | 6 A para 10 ms a 24 Vcc SELV |
Faixa de tensão de operação da alimentação SA | 10 a 30 Vcc, SELV |
Corrente de alimentação SA, máx. | 10 A Não ultrapasse o consumo de corrente de 10 A no borne removível de alimentação SA. |
Corrente de alimentação SA sem carga | 2 mA |
Tensão BP | 16 Vcc |
Corrente BP, máx. | 250 mA (8 MB) 500 mA (16 MB) |
Dissipação de energia, máx. | 1,7 W |
Dissipação térmica, máx. | 5,8 BTU/h |
Tensão de isolamento | 250V (contínuo), isolamento básico, SA para backplane 250V (contínuo), isolamento básico, SA para MP 60V (contínua), isolamento básico, MP para backplane |
Bornes removíveis compatíveis | Um borne removível é enviado com a alimentação de expansão. Você pode solicitar o tipo parafuso adicional (5034-AENRTB-QTY5) e o tipo mola de encaixe (5034-AENRTBS-QTY5) separadamente. |
Categoria de fiação (1) | 2 - Portas de alimentação |
Especificação da fiação | Consulte Especificações de fiação para bornes removíveis nos dados técnicos das especificações do sistema PointMax I/O, publicação 5034-TD001 |
Indicadores | 1 indicador de status de alimentação do módulo verde 1 indicador de status de alimentação SA verde |
Dimensões (AxLxP), aprox. | 131,7 x 20,0 x 75 mm (5,19 x 0,79 x 2,95 pol.) |
Peso, aprox. | 109 g (3,84 oz.) – 5034-EXP 111 g (3,91 oz.) – 5034-EXPXT |
Tipo de gabinetes | Nenhum (Estilo aberto) |
Código de temperatura norte americano | T4 |
Código de temperatura UKEX/ATEX | T4 |
Código de temperatura IECEx | T4 |
(1) Use essas informações de categoria do condutor para
planejar o roteamento dos cabos. Consulte Orientação sobre
fiação de automação industrial e aterramento, publicação
1770-4.1
(Industrial Automation Wiring and Grounding Guidelines). Use
essas informações de Categoria de condutor para planejar o
roteamento de condutores conforme descrito no Manual de
instalação no sistema apropriado. | |
Dê sua opinião