5034-UB8F 및 5034-UB8FXT 고속 디지털 8 입력/출력 모듈
5034-UB8F 및 5034-UB8FXT 배선 다이어그램 – 출력 모드

5034-UB8F 및 5034-UB8FXT 배선 다이어그램 – 입력 모드

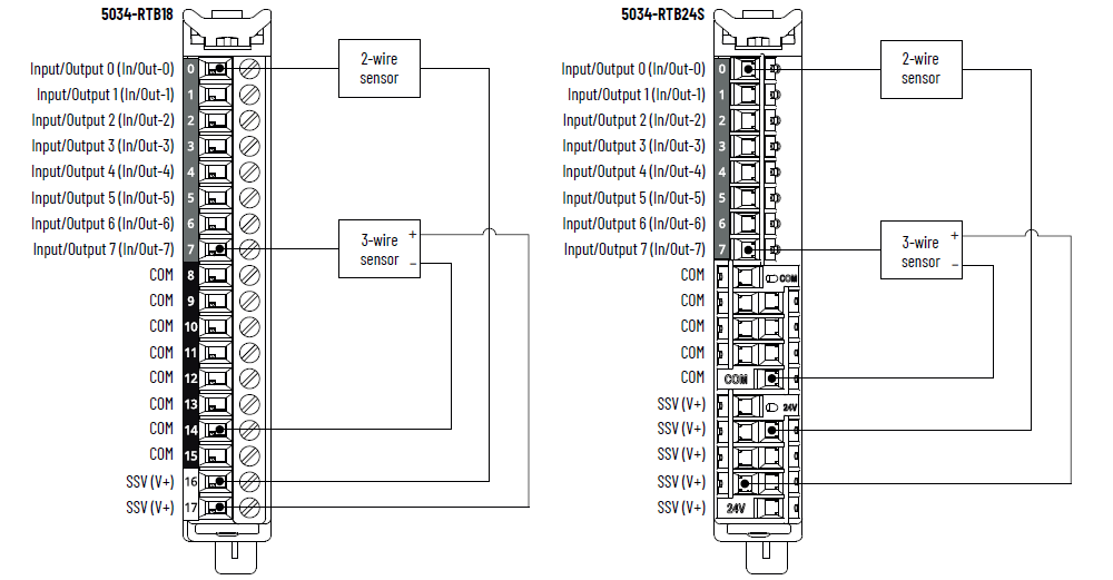
특히 혼합 입력/출력 구성에서 더 많은 COM/V+ 연결을 설정하려면 5034-RTB24S를 사용하거나 모듈 옆에 5034-MBPTM 또는
5034-MBPTMXT를 설치하십시오.
디지털 입력 모드로 설정된 포인트와 인터페이스되는 센서에 전원을 공급하는 경우에만 SSV(V+)를 사용하십시오.
5034-UB8F 및 5034-UB8FXT 기능 블록 다이어그램

항목 | 5034-UB8F, 5034-UB8FXT |
|---|---|
온 상태 전압 범위 | 10~30V DC |
최소 온 상태 전류 | 2 mA |
공칭 온 상태 전류 | 4.5 mA |
최대 온 상태 전류 | 5 mA |
최대 오프 상태 전압 | 5V DC |
최대 오프 상태 전류 | 1.5 mA |
최소 입력 임피던스 | 2 kΩ @ 10V DC |
공칭 입력 임피던스 | 5.3 kΩ @ 24V DC |
최대 입력 임피던스 | 15 kΩ @ 30V DC |
최대 입력 지연 시간(나사에서 백플레인까지) Off에서 On으로 On에서 Off로 | 40 µs |
최소 입력 펄스 폭 Off에서 On으로 On에서 Off로 | 10 µs |
입력 필터 시간 Off에서 On으로 On에서 Off로 | 0 µs (기본값), 5 µs, 10 µs, 20 µs, 50 µs, 100 µs, 200 µs, 500
µs, 1 ms, 2 ms, 5 ms, 10 ms, 20 ms, 50 ms |
단순 카운터, 카운터 주파수 | 0~f max = 50,000 Hz |
입력의 타임스탬프(이벤트 시퀀스) | 있음, ±10 µs 정확도 |
이벤트 | 예 |
항목 | 5034-UB8F, 5034-UB8FXT |
|---|---|
온 상태 전압 범위 | 10~30V DC |
켜짐 상태 전압 강하(최대) | 0.25V DC |
포인트당 최소 온 상태 전류 | 1.0 mA |
최대 오프 상태 전압 | 5V DC, 1 mA 최소 부하 |
포인트당 최대 오프 상태 누설 전류 (1) | 0.5 mA |
포인트당 최대 출력 전류 정격 | 0.5 A |
모듈당 최대 출력 전류 정격 | 4 A |
포인트당 최대 서지 전류 | 10ms 동안 1.2A, 3초마다 반복 가능 |
최대 허용 유도 부하 | 1.2 H |
꺼질 때 유도성 부하의 출력 클램핑 전압 | (SA 전압 + VCL)~0 VCL 값: 최소값은 -63V, 일반값은 -55V, 최대값은 -49V 자세한 정보는 PointMax 디지털 I/O 모듈 사용자 매뉴얼(Publication 5034-UM002)을
참조하십시오. |
최대 출력 지연 시간(백플레인에서 나사까지) Off에서 On으로 On에서 Off로 | 20 µs @ 0.5 A |
최소 펄스폭 | 20 µs |
스케줄된 출력 | 지원됨, 정확도 ±10 μs |
PWM/PTO 지원 | 예 최대 스위칭 주파수: 100 kHz (10 μs 주기) 최소 스위칭 주파수: 0.033 Hz (30초 주기) 최소 펄스 폭: 5 μs 포인트당 최대 부하 전류(저항 유형):
여기에서 F sw 는 스위칭 주파수입니다. |
개방 부하 감지 진단 | 지원되지 않음 |
출력 단락/과부하 감지 | 예 |
출력 단락/과부하 보호 | 예 |
정격 등급 | 1.2 A 돌입 전류, 0.5 A 정격 전류, DC-14 |
프로그램 모드에서 포인트당 출력 상태 | 최종 상태 유지 On Off(기본값) Local Control |
폴트 모드에서 포인트당 출력 상태 | 최종 상태 유지 On Off(기본값) Local Control |
폴트 모드에서 포인트당 기간 | 1초 2초 5초 10초 Forever(기본값) |
포인트당 폴트 모드 후 출력 최종 상태 | On Off(기본값) |
(1) 권장 부하 저항기 – 전자식 출력을 통해 누설 전류의 영향을 제한하기 위해 부하와 병렬로 부하 저항기를
연결할 수 있습니다. 24V DC 작동의 경우 트랜지스터 작동을 위해 5.6 kΩ, 0.5 W 저항기를
사용하십시오. | |
항목 | 5034-UB8F, 5034-UB8FXT |
|---|---|
입력/출력 수 | 채널 8개, 설정 가능, 싱킹 입력, 소싱 출력 |
공칭 SA 전원 전압 | 24V DC |
SA 전원 전압 범위 | 10~30V DC |
공칭 SA 전원 전류 | 4.1 A |
SA 전원 최대 전류 | 4.2 A |
무부하 시 SA 전원 전류 | 14.3 mA |
SA 역극성 보호 | 예 |
SSV 전압 범위 | SA 공급 팔로우 |
최대 SSV 전류 | 0.8 A |
SSV 단락 감지 | 예 |
최대 소비 전력 (1) | 1.43 W |
최대 열 방출 (1) | 4.87 BTU/시간 |
RTB 유형 작업 | 250V(연속), 기본 절연 유형, 시스템 - 현장 SA(센서/엑츄에이터) 전원 및 입력/출력 포트 사이에 절연 없음 개별 입력/출력 포트 사이에 절연 없음 |
RIUP 지원 | 예 |
Cip sync | 슬레이브 전용 일반 클럭 |
Electronic Keying | 프로그래밍 소프트웨어를 통한 Electronic Keying |
RTB 키 위치(슬롯) | 1, 5, 8 |
RTB 지원 | 5034-RTB18, 5034-RTB18S, 5034-RTB24S |
배선 카테고리 (2) | 2 - 신호 포트 2 - 전원 포트 |
배선 사양 | PointMax I/O 시스템 사양 기술 데이터(Publication 5034-TD001)에서 탈착식
단자대의 배선 사양을 참조하십시오. |
표시기 | 녹색/적색 모듈 상태 표시기 1개 녹색/적색 SA 전원 상태 표시기 1개 황색/적색 I/O 상태 표시기 8개 |
치수(HxWxD) | 123.6 x 15.0 x 66.4 mm (4.87 x 0.59 x 2.61 in.) |
무게 | 45.0 g (1.59 oz.) – 5034-UB8F 47.0 g (1.66 oz.) – 5034-UB8FXT |
외함 유형 | 없음(개방형) |
북미 온도 코드 | T4 |
UKEX/ATEX 온도 코드 | T4 |
IECEx 온도 코드 | T4 |
(1) 값은 60 °C(140 °F)에서 측정됩니다. 소비 전력은 온도에 따라 달라집니다. (2) 전도체 라우팅을 계획하려면 위의 전도체 카테고리 정보를 사용하십시오. 산업 자동화 배선 및 접지
가이드라인(Publication 1770-4.1)을 참조하십시오.
해당 시스템 레벨 설치 매뉴얼에 설명된 바에 따라 전선 연결 계획시 이 전선 분류 정보를
이용하십시오. | |
의견을 작성 부탁드립니다.