5034-IB8 및 5034-IB8XT 디지털 8 입력 모듈
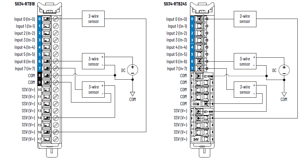
5034-IB8 및 5034-IB8XT 배선 다이어그램

추가 COM/V+ 연결을 설정하려면 5034-RTB24S를 사용하거나 모듈 옆에 5034-MBPTM 또는 5034-MBPTMXT를 설치하십시오.
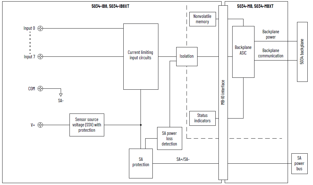
5034-IB8 및 5034-IB8XT 기능 블록 다이어그램

항목 | 5034-IB8, 5034-IB8XT |
|---|---|
온 상태 전압 범위 | 10~30V DC |
최소 온 상태 전류 | 2 mA |
공칭 온 상태 전류 | 2.4mA |
최대 온 상태 전류 | 2.8 mA |
최대 오프 상태 전압 | 5V DC |
최대 오프 상태 전류 | 1.5 mA |
최소 입력 임피던스 | 3.57 kΩ @ 10V DC |
공칭 입력 임피던스 | 10 kΩ @ 24V DC |
최대 입력 임피던스 | 15 kΩ @ 30V DC |
최대 입력 지연 시간(나사에서 백플레인까지) Off에서 On으로 On에서 Off로 | 150 µs |
최소 입력 펄스 폭 Off에서 On으로 On에서 Off로 | 125 µs |
입력 필터 시간 Off에서 On으로 On에서 Off로 | 0 µs, 100 µs, 200 µs, 500 µs, 1 ms(기본값), 2 ms, 5 ms, 10 ms,
20 ms, 50 ms |
단순 카운터, 카운터 주파수 | 0~f max = 4000 Hz4 (표준 입력으로 4 포인트 사용) 포인트 0~3 전용 |
입력의 타임스탬프(이벤트 시퀀스) | 있음, ±100 µs 정확도 |
이벤트 | 지원되지 않음 |
항목 | 5034-IB8, 5034-IB8XT |
|---|---|
입력 개수 | 8채널(8개 그룹 1개), 싱킹 |
전압 분류 | 12/24V DC 싱크 |
공칭 입력 전압 | 24V DC |
입력 전압 범위 | 10~30V DC |
공칭 SA 전원 전압 | 24V DC |
SA 전원 전압 범위 | 10~30V DC |
공칭 SA 전원 전류 | 250 mA |
최대 SA 전원 전류 | 0.3 A |
무부하 시 SA 전원 전류 | 10 mA |
SA 역극성 보호 | 예 |
SSV 전압 범위 | SA 공급 팔로우 |
최대 SSV 전류 | 0.2 A |
SSV 단락 방지 | 예 |
최대 소비 전력 (1) | 1.15 W |
최대 열 방출 (1) | 3.92 BTU/시간 |
RTB 유형 작업 | 250V(연속), 기본 절연 유형, 시스템 - 현장 SA(센서/엑츄에이터) 전원과 입력 간 절연 없음 개별 입력 간 절연 없음 |
RIUP 지원 | 예 |
Cip sync | 있음, 슬레이브 전용 일반 클럭 |
Electronic Keying | 프로그래밍 소프트웨어를 통한 Electronic Keying |
RTB 키 위치(슬롯) | 1, 4, 8 |
RTB 지원 | 5034-RTB18, 5034-RTB18S, 5034-RTB24S |
배선 카테고리 (2) | 2 - 신호 포트 2 - 전원 포트 |
배선 사양 | PointMax I/O 시스템 사양 기술 데이터(Publication 5034-TD001)에서 탈착식
단자대의 배선 사양을 참조하십시오. |
표시기 | 녹색/적색 모듈 상태 표시기 1개 녹색/적색 SA 전원 상태 표시기 1개 황색 I/O 상태 표시기 8개 |
치수(HxWxD) | 123.6 x 15.0 x 66.4 mm (4.87 x 0.59 x 2.61 in.) |
무게 | 43.0 g (1.52 oz.) – 5034-IB8 46.0 g (1.62 oz.) – 5034-IB8XT |
외함 유형 | 없음(개방형) |
북미 온도 코드 | T4 |
UKEX/ATEX 온도 코드 | T4 |
IECEx 온도 코드 | T4 |
(1) 값은 60 °C(140 °F)에서 측정됩니다. 소비 전력은 온도에 따라 달라집니다. (2) 전도체 라우팅을 계획하려면 위의 전도체 카테고리 정보를 사용하십시오. 산업 자동화 배선 및 접지
가이드라인(Publication 1770-4.1)을 참조하십시오.
해당 시스템 레벨 설치 매뉴얼에 설명된 바에 따라 전선 연결 계획시 이 전선 분류 정보를
이용하십시오. | |
의견을 작성 부탁드립니다.