5034-IB8および5034-IB8XT 8点デジタル入力モジュール
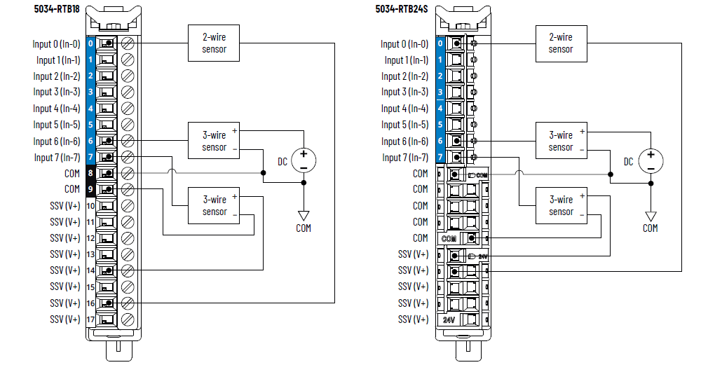
5034-IB8および5034-IB8XTの配線図

COM/V+コネクションを追加するには、5034-RTB24Sを使用するか、5034-MBPTMまたは5034-MBPTMXTをモジュールの横に取付けます。
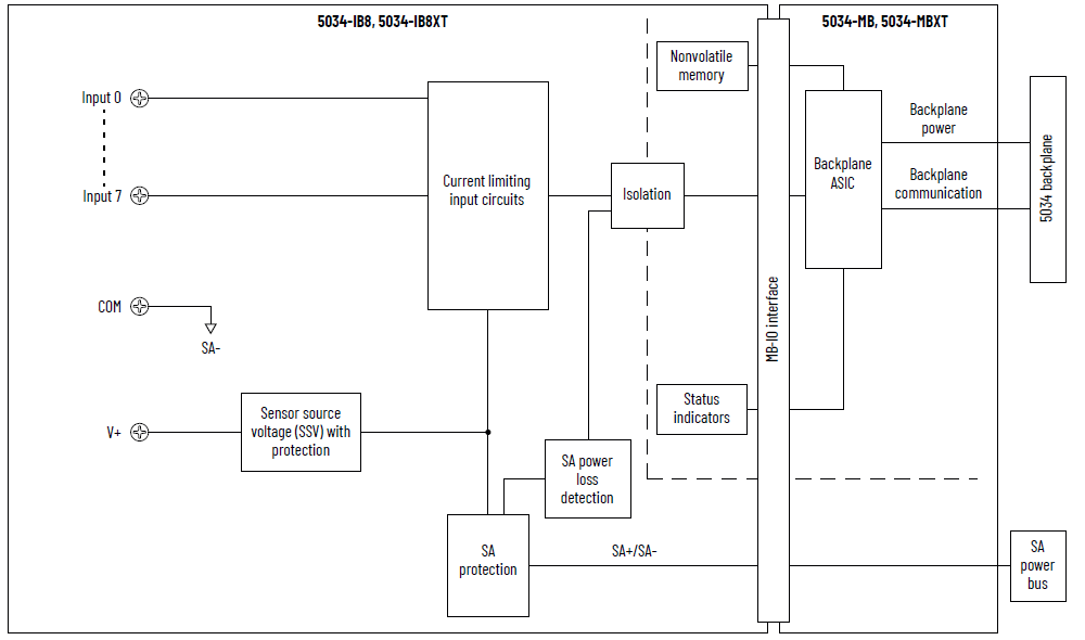
5034-IB8および5034-IB8XTのファンクション・ブロック・ダイアグラム

項目 | 5034-IB8、5034-IB8XT |
|---|---|
オン時電圧範囲 | DC10~30V |
オン時最小電流 | 2mA |
オン時公称電流 | 2.4mA |
オン時最大電流 | 2.8mA |
オフ時最大電圧 | DC5V |
オフ時最大電流 | 1.5mA |
最小入力インピーダンス | DC10Vのとき3.57kΩ |
入力インピーダンス(公称) | DC24Vのとき10kΩ |
最大入力インピーダンス | DC30Vのとき15kΩ |
最大入力遅延時間(ねじからバックプレーンまで) オフからオン オンからオフ | 150µsec |
最小入力パルス幅 オフからオン オンからオフ | 125µsec |
入力フィルタ時間 オフからオン オンからオフ | 0µsec、100µsec、200µsec、500µsec、1msec (デフォルト)、 2msec、5msec、10msec、20msec、50msec |
シンプルカウンタ、カウンタ周波数 | 0…f max = 4000Hz4 (標準入力として4点) 0~3点のみ |
入力のタイムスタンプ(イベントのシーケンス) | あり、±100µsec精度 |
イベント | サポートされていない |
項目 | 5034-IB8、5034-IB8XT |
|---|---|
入力数 | 8チャネル(それぞれ8チャネルの1つのグループ)、シンク |
電圧カテゴリ | DC12/24Vシンク |
入力電圧(公称) | DC24V |
入力電圧範囲 | DC10~30V |
SA電源電圧(公称) | DC24V |
SA電源電圧範囲 | DC10~30V |
SA電源電流(公称) | 250mA |
SA電源電流(最大) | 0.3A |
SA電源電流(負荷なし) | 10mA |
SA逆極性保護 | あり |
SSV電圧範囲 | SA電源に従う |
SSV最大電流 | 0.2A |
SSV短絡保護 | あり |
最大消費電力 (1) | 1.15W |
最大熱放散 (1) | 3.92BTU/hr |
絶縁電圧 | 250V (連続)、基本絶縁タイプ、システムからフィールド SA電源と入力間の絶縁なし 個々の入力間の絶縁なし |
RIUPサポート | あり |
CIP Sync | あり、スレーブ専用通常クロック |
電子キーイング | プログラミングソフトウェアを使用した電子キーイング |
RTBキー位置(スロット) | 1、4、8 |
サポートされるRTB | 5034-RTB18、5034-RTB18S、5034-RTB24S |
配線カテゴリ (2) | 2 - 信号ポート 2 - 電源ポート |
配線仕様 | 『PointMax I/Oシステムの仕様テクニカルデータ』(Pub. No. 5034-TD001)の「脱着式端子台の配線仕様」を参照 |
インジケータ | 緑色/赤色のモジュール・ステータス・インジケータx1 緑色/赤色のSA電源ステータスインジケータx1 黄色のI/Oステータスインジケータx8 |
概算寸法(HxWxD) | 123.6 x 15.0 x 66.4mm (4.87 x 0.59 x 2.61インチ) |
概算重量 | 43.0g (1.52オンス) – 5034-IB8 46.0g (1.62オンス) – 5034-IB8XT |
エンクロージャタイプ | なし(開放型) |
北米温度コード | T4 |
UKEX/ATEX温度コード | T4 |
IECEx温度コード | T4 |
(1)値は60°C (140°F)で測定したものです。 消費電力は温度によって変わります。 (2)この導線カテゴリ情報を使用して、導線の敷設を計画してください。 『配線と接地のガイドライン』(Pub. No.
1770-4.1)を参照してください。
導線の敷設を計画する際には、該当するシステムレベルの設置マニュアルでの説明に従って、以下の導線カテゴリ情報を参考にしてください。 | |
ご質問やご意見