Modules à 8 entrées/sorties TOR rapides 5034-UB8F et 5034-UB8FXT

Schéma de câblage 5034-UB8F et 5034-UB8FXT – Mode sortie
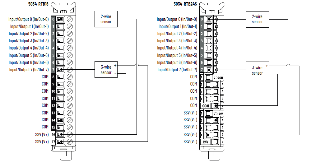
Schéma de câblage 5034-UB8F et 5034-UB8FXT – Mode entrée
Pour établir plus de connexions COM/V+, en particulier dans une configuration d’entrée/sortie mixte, utilisez un module 5034-RTB24S ou installez un module 5034-MBPTM ou 5034-MBPTMXT à côté du module.
Utilisez SSV (V+) uniquement pour alimenter des détecteurs qui sont interfacés avec un point configuré en mode d’entrée TOR.
Schéma fonctionnel 5034-UB8F et 5034-UB8FXT
Caractéristiques techniques - 5034-UB8F, 5034-UB8FXT – Entrée
Attribut
5034-UB8F, 5034-UB8FXT
Plage de tension à l’état passant
10 à 30 V c.c.
Courant à l’état passant, min.
2 mA
Courant à l’état passant, nom.
4,5 mA
Courant à l’état passant, max.
5 mA
Tension à l’état bloqué, max.
5 V c.c.
Courant à l’état bloqué, max.
1,5 mA
Impédance d’entrée, min.
2 kΩ sous 10 V c.c.
Impédance d’entrée, nominale
5,3 kΩ sous 24 V c.c.
Impédance d’entrée, max.
15 kΩ sous 30 V c.c.
Temps de réponse de l’entrée (entre vis et bus intermodules), max.
Off à On
On à Off
40 µs
Largeur d’impulsion d’entrée, min.
Off à On
On à Off
10 µs
Temps de filtre d’entrée
Off à On
On à Off
0 µs (valeur par défaut), 5 µs, 10 µs, 20 µs, 50 µs, 100 µs, 200 µs, 500 µs, 1 ms, 2 ms, 5 ms, 10 ms, 20 ms, 50 ms
Compteurs simples, fréquence de compteur
0 à f
max
= 50 000 Hz
Horodatage des entrées (séquence d’événements)
Oui, précision de ±10 µs
Événements
Oui
Caractéristiques techniques - 5034-UB8F, 5034-UB8FXT – Sortie
Attribut
5034-UB8F, 5034-UB8FXT
Plage de tension à l’état passant
10 à 30 V c.c.
Chute de tension à l’état passant, max.
0,25 V c.c.
Courant à l’état activé par point, min.
1,0 mA
Tension à l’état bloqué, max.
5 V c.c. avec une charge min. de 1 mA
Courant de fuite à l’état désactivé par point, max.
(1)
0,5 mA
Courant nominal de sortie par point, max.
0,5 A
Courant nominal de sortie par module, max.
4 A
Courant d’appel par point, max.
1,2 A pendant 10 ms, répétable toutes les 3 s
Charge inductive autorisée, max.
1,2 H
Tension de blocage de sortie pour charge inductive en cas de désactivation
(tension SA + VCL) à 0
Valeur VCL : -63 V minimum, -55 V type, -49 V maximum
Pour plus d’informations, consultez la publication 5034-UM002, « PointMax Digital I/O Modules User Manual ».
Temps de réponse de la sortie (entre bus intermodules et vis), max.
Off à On
On à Off
20 μs sous 0,5 A
Largeur d’impulsion, min.
20 µs
Sorties planifiées
Prises en charge, précision ±10 μs
Prise en charge de la modulation de largeur d’impulsion/sortie à train d’impulsions
Oui
Fréquence de commutation maximale : 100 kHz (période de 10 μs)
Fréquence de commutation minimale : 0,033 Hz (période de 30 s)
Largeur d’impulsion minimale : 5 μs
Courant maximal de charge (type résistif) par point :
  • 200 mA pour F
    comm
    ≤ 10 kHz
  • 100 mA pour 10 kHz < F
    comm
    ≤ 25 kHz
  • 40 mA pour 25 kHz < F
    comm
    ≤ 100 kHz
Où F
comm
est la fréquence de commutation
Diagnostics de détection de charge ouverte
Pas pris en charge
Détection de court-circuit/surcharge en sortie
Oui
Protection contre les courts-circuits/surcharges en sortie
Oui
Indice de service léger
Courant d’appel de 1,2 A, courant nominal de 0,5 A, DC-14
États de sortie en mode Programme par point
Maintien du dernier état
On
Off (par défaut)
Local Control
États de sortie en mode défaut par point
Maintien du dernier état
On
Off (par défaut)
Local Control
Durée du mode défaut par point
1 s
2 s
5 s
10 s
Indéfiniment (valeur par défaut)
État final de sortie après le mode défaut par point
On
Off (par défaut)
(1) Résistance de charge recommandée – Pour limiter les effets du courant de fuite par les sorties statiques, vous pouvez raccorder une résistance de charge parallèlement à votre charge. Pour le fonctionnement en 24 V c.c., utilisez une résistance de 5,6 kΩ, 0,5 W en fonctionnement transistor.
Caractéristiques générales - 5034-UB8F, 5034-UB8FXT
Attribut
5034-UB8F, 5034-UB8FXT
Nombre d’entrées/sorties
8 voies, configurables, entrée NPN, sortie PNP
Tension d’alimentation SA, nom.
24 V c.c.
Plage de tensions de l'alimentation SA
10 à 30 V c.c.
Courant de l’alimentation SA, nom.
4,1 A
Courant de l'alimentation SA, max.
4.2 A
Courant de l’alimentation SA sans charge
14,3 mA
Protection contre l’inversion de polarité SA
Oui
Plage de tension SSV
Suivre l’alimentation SA
Courant SSV, max.
0,8 A
Détection de court-circuit SSV
Oui
Dissipation de puissance, max.
(1)
1,43 W
Dissipation thermique, max.
(1)
4,87 BTU/h
Tension d’isolement
250 V (permanent), type d'isolement de base, système vers terrain
Aucun isolement entre l’alimentation SA et les ports d’entrées/sorties
Aucun isolement entre les ports d’entrées/sorties individuels
Prise en charge RIUP
Oui
CIP Sync
Horloge ordinaire esclave uniquement
Détrompage électronique
Détrompage électronique via un logiciel de programmation
Positions de détrompage du bornier débrochable (logement)
1, 5, 8
Bornier débrochable pris en charge
5034-RTB18, 5034-RTB18S, 5034-RTB24S
Catégorie de câblage
(2)
2 - Ports de signal
2 - Ports d’alimentation
Caractéristique du câblage
Reportez-vous aux caractéristiques de câblage pour les borniers débrochables dans la publication 5034-TD001, « Caractéristiques du système PointMax I/O Données techniques »
Indication
1 voyant d’état du module vert/rouge
1 voyant d’état de l’alimentation SA vert/rouge
8 voyants d’état d’E/S jaunes/rouges
Dimensions approx. (H x L x P)
123,6 x 15,0 x 66,4 mm (4,87 x 0,59 x 2,61 in.)
Poids, approx.
45,0 g (1,59 oz.) – 5034-UB8F
47,0 g (1,66 oz.) – 5034-UB8FXT
Type de boîtier
Aucun (à raccordement libre)
Code de température nord-américain
T4
Code de température UKEX/ATEX
T4
Code de température IECEx
T4
(1) La valeur est mesurée à 60 °C (140 °F). La dissipation de puissance varie en fonction de la température.
(2) Utilisez cette information de catégorie de conducteur pour planifier l’acheminement des fils. Consultez la publication 1770-4.1, « Industrial Automation Wiring and Grounding Guidelines ». Utilisez cette information sur la catégorie de conducteur pour planifier l’acheminement des conducteurs, tel que décrit dans la notice d’installation de niveau système appropriée.
Fournir une réponse
Vous avez des questions ou des commentaires sur cette documentation ? Veuillez envoyer vos commentaires ici.
Normal