Alimentation d’extension MOD et SA 5034-EXP et 5034-EXPXT
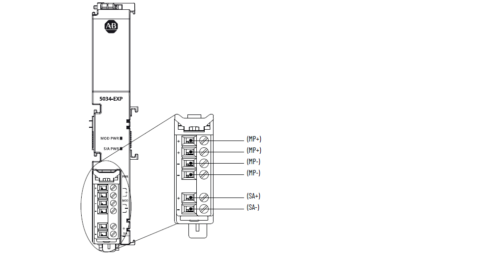
Schéma 5034-EXP et 5034-EXPXT

Attribut | 5034-EXP, 5034-EXPXT |
|---|---|
Nombre de MB prises en charge | 16 pour 18 à 30 V c.c. 8 pour 10 à 18 V c.c. |
Tension de la MP, nom. | 24 V c.c. SELV |
Plage de tension de la MP | 10 à 30 V c.c. SELV |
Courant de la MP, nom. | 420 mA sous 24 V c.c. |
Courant de la MP, max. | 550 mA sous 10 V c.c. (8 MB) 590 mA sous 18 V c.c. (16 MB) 370 mA sous 30 V c.c. (16 MB) |
Courant d’appel MP, max. | 6 A pendant 10 ms sous 24 V c.c. SELV |
Plage de tension de fonctionnement de l’alimentation SA | 10 à 30 V c.c. SELV |
Courant de l’alimentation SA, max. | 10 A Ne pas dépasser une consommation de courant de 10 A sur le bornier débrochable d'alimentation SA. |
Courant de l’alimentation SA sans charge | 2 mA |
Tension de la BP | 16 V c.c. |
Courant de la BP, max. | 250 mA (8 MB) 500 mA (16 MB) |
Dissipation de puissance max. | 1,7 W |
Dissipation thermique, max. | 5,8 BTU/h |
Tension d’isolement | 250 V (permanent), isolement de base, entre SA et bus intermodules 250 V (permanent), isolement de base, entre SA et MP 60 V (permanent), isolement de base, entre MP et bus intermodules |
Bornier débrochable pris en charge | Un bornier débrochable est livré avec l’alimentation d’extension. Vous pouvez commander séparément des éléments à vis (5034-AENRTB-QTY5) et à ressort (5034-AENRTBS-QTY5) supplémentaires. |
Catégorie de câblage (1) | 2 - Ports d’alimentation |
Caractéristiques de câblage | Reportez-vous aux caractéristiques de câblage pour les
borniers débrochables dans la publication 5034-TD001,
« Caractéristiques du système PointMax I/O Données
techniques » |
Indication | 1 voyant d’état d’alimentation du module vert/rouge 1 voyant d’état de l’alimentation SA vert |
Dimensions approx. (H x L x P) | 131,7 x 20,0 x 75 mm (5,19 x 0,79 x 2,95 in.) |
Poids, approx. | 109 g (3,84 oz.) – 5034-EXP 111 g (3,91 oz.) – 5034-EXPXT |
Type de boîtier | Aucun (type ouvert) |
Code de température nord-américain | T4 |
Code de température UKEX/ATEX | T4 |
Code de température IECEx | T4 |
(1) Utilisez cette information de catégorie de conducteur pour planifier l’acheminement des fils. Consultez la publication 1770-4.1, « Industrial Automation Wiring and Grounding Guidelines ». Utilisez cette information sur la catégorie de conducteur pour planifier l’acheminement des conducteurs, tel que décrit dans la notice d’installation de niveau système appropriée. | |
Fournir une réponse