Módulos de 8 entradas/salidas digitales rápidas 5034-UB8F y 5034-UB8FXT

Diagrama de cableado de los módulos 5034-UB8F y 5034-UB8FXT – Modo de salida
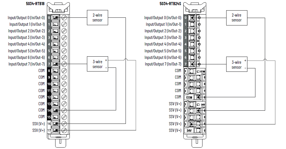
Diagrama de cableado de los módulos 5034-UB8F y 5034-UB8FXT – Modo de entrada
Para establecer más conexiones COM/V+, especialmente en una configuración de entrada/salida combinada, utilice un 5034-RTB24S o instale un 5034-MBPTM o 5034-MBPTMXT junto al módulo.
Utilice SSV (V+) solo para los sensores de alimentación que se conectan con un punto configurado como modo de entrada digital.
Diagrama de bloques de funciones de 5034-UB8F y 5034-UB8FXT
Especificaciones técnicas – 5034-UB8F, 5034-UB8FXT – Entrada
Atributo
5034-UB8F, 5034-UB8FXT
Rango de voltajes en estado activado
10…30 VCC
Corriente en estado activado, mín.
2 mA
Corriente en estado activado, nom.
4.5 mA
Corriente en estado activado, máx.
5 mA
Voltaje de estado desactivado, máx.
5 VCC
Corriente en estado desactivado, máx.
1.5 mA
Impedancia de entrada, mín.
2 kΩ a 10 VCC
Impedancia de entrada, nom.
5.3 kΩ a 24 VCC
Impedancia de entrada, máx.
15 kΩ a 30 VCC
Tiempo de retardo de entrada (tornillo a backplane), máx.
Desactivado a activado
Activado a desactivado
40 µs
Anchura de impulso de entrada, mín.
Desactivado a activado
Activado a desactivado
10 µs
Tiempo de filtro de entrada
Desactivado a activado
Activado a desactivado
0 µs (predeterminado), 5 µs, 10 μs, 20 μs, 50 μs, 100 μs, 200 μs, 500 μs, 1 ms, 2 ms, 5 ms, 10 ms, 20 ms, 50 ms
Contadores simples, frecuencia de contador
0…f
máx
= 50,000 Hz
Sello de hora de entradas (secuencia de eventos)
Sí, exactitud de ±10 µs
Eventos
Especificaciones técnicas – 5034-UB8F, 5034-UB8FXT – Salida
Atributo
5034-UB8F, 5034-UB8FXT
Rango de voltajes en estado activado
10…30 VCC
Caída de tensión de estado activado, máx.
0.25 VCC
Corriente en estado activado por punto, mín.
1.0 mA
Voltaje de estado desactivado, máx.
5 VCC con 1 mA de carga mín.
Corriente de fuga en estado desactivado por punto, máx.
(1)
0.5 mA
Corriente de salida nominal por punto, máx.
0.5 A
Corriente de salida nominal por módulo, máx.
4 A
Corriente pico por punto, máx.
1.2 A durante 10 ms, repetible cada 3 s
Carga inductiva permitida, máx.
1.2 H
Voltaje de fijación de salida para carga inductiva cuando se desactiva
(voltaje de SA + VCL)...0
Valor VCL: mínimo es –63 V, típico es –55 V, máximo es –49 V
Para obtener más información consulte el Manual del usuario – Módulos de E/S digitales PointMax, publicación 5034-UM002.
Tiempo de retardo de salida (backplane a tornillo), máx.
Desactivado a activado
Activado a desactivado
20 μs a 0.5 A
Anchura de impulso, mín.
20 µs
Salidas programadas
Compatibilidad, exactitud ±10 μs
Compatibilidad con PTO/PWM
Frecuencia de conmutación máxima: 100 kHz (período de 10 μs)
Frecuencia de conmutación mínima: 0.033 Hz (período de 30 s)
Anchura de impulso mínima: 5 μs
Corriente de carga máxima (tipo resistivo) por punto:
  • 200 mA para F
    sw
    ≤ 10 kHz
  • 100 mA para 10 kHz < F
    sw
    ≤ 25 kHz
  • 40 mA para 25 kHz < F
    sw
    ≤ 100 kHz
Donde F
sw
es la frecuencia de conmutación
Diagnósticos de detección de carga abierta
No admitido
Detección de cortocircuito/sobrecarga de salida
Protección contra cortocircuito/sobrecarga de salida
Clasificación de servicio de piloto
Corriente de entrada al momento del arranque de 1.2 A, corriente nominal de 0.5 A, DC-14
Estados de salida en modo de programación por punto
Retener último estado
Activado
Desactivado (predeterminado)
Control local
Estados de salida en modo de fallo por punto
Retener último estado
Activado
Desactivado (predeterminado)
Control local
Duración del modo de fallo por punto
1 s
2 s
5 s
10 s
Indefinidamente (predeterminado)
Estado final de salida después de modo de fallo por punto
Activado
Desactivado (predeterminado)
(1) Resistencia de carga recomendada: Para limitar los efectos de la corriente de fuga a través de salidas de estado sólido, puede conectar una resistencia de carga en paralelo con la carga. En el caso del funcionamiento de 24 VCC, utilice una resistencia de 5.6 kΩ, 0.5 W para el funcionamiento del transistor.
Especificaciones generales – 5034-UB8F, 5034-UB8FXT
Atributo
5034-UB8F, 5034-UB8FXT
Número de entradas/salidas
8 canales, configurables, entrada drenadora, salida surtidora
Voltaje de alimentación eléctrica de SA, nom.
24 VCC
Rango de voltaje de la alimentación eléctrica de SA
10…30 VCC
Corriente de alimentación eléctrica de SA, nom.
4.1 A
Corriente de alimentación eléctrica de SA, máx.
4.2 A
Corriente de alimentación eléctrica de SA sin carga
14.3 mA
Protección contra inversión de polaridad SA
Rango de voltajes SSV
Siga la fuente de alimentación de SA
Corriente SSV, máx.
0.8 A
Detección de cortocircuito SSV
Disipación de energía, máx.
(1)
1.43 W
Disipación térmica, máx.
(1)
4.87 BTU/h
Voltaje de aislamiento
250 V (régimen continuo), tipo de aislamiento básico, sistema a campo
Sin aislamiento entre los puertos de entrada/salida y la alimentación eléctrica de SA
Sin aislamiento entre puertos de entrada/salida individuales
Compatibilidad con RIUP
CIP Sync
Reloj común de solo esclavo
Codificación electrónica
Codificación electrónica mediante software de programación
Posiciones de la llave del RTB (ranura)
1, 5, 8
RTB compatible
5034-RTB18, 5034-RTB18S, 5034-RTB24S
Categoría de cableado
(2)
2: puertos de señal
2: puertos de alimentación eléctrica
Especificaciones de cableado
Consulte las especificaciones de cableado de los bloques de terminales extraíbles en los Datos técnicos – Especificaciones del sistema E/S PointMax, publicación 5034-TD001
Indicadores
1 indicador de estado de módulo verde/rojo
1 indicador de estado de alimentación eléctrica de SA verde/rojo
8 indicadores de estado de E/S amarillos/rojos
Dimensiones aproximadas (alto × ancho × profundidad)
123.6 × 15.0 × 66.4 mm (4.87 × 0.59 × 2.61 pulg.)
Peso aprox.
45.0 g (1.59 oz) – 5034-UB8F
47.0 g (1.66 oz) – 5034-UB8FXT
Tipo de envolvente
Ninguna (estilo abierto)
Código de temperatura norteamericano
T4
Código de temperatura UKEX/ATEX
T4
Código de temperatura IECEx
T4
(1) El valor se mide a 60 °C (140 °F). La disipación de energía varía con la temperatura.
(2) Utilice esta información sobre las categorías de conductores para planificar la instalación de conductores. Consulte el documento Pautas de cableado y conexión a tierra de equipos de automatización industrial, publicación 1770-4.1. Utilice esta información sobre categoría de conductores para planificar la instalación de conductores como se describe en el correspondiente manual de instalación a nivel de sistema.
Entregue su opinión
¿Tiene dudas o comentarios acerca de esta documentación? Por favor deje su opinión aquí.
Normal