Módulos de 8 entradas/salidas digitales 5034-UB8 y 5034-UB8XT
Diagrama de cableado de los módulos 5034-UB8 y 5034-UB8XT – Modo de
salida

Diagrama de cableado de los módulos 5034-UB8 y 5034-UB8XT – Modo de
entrada

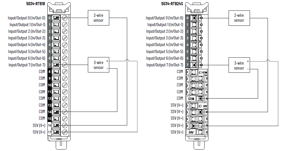
Para establecer más conexiones COM/V+, especialmente en una configuración de
entrada/salida combinada, utilice un 5034-RTB24S o instale un 5034-MBPTM o
5034-MBPTMXT junto al módulo.
Utilice SSV (V+) solo para los sensores de alimentación que se conectan con un punto
configurado como modo de entrada digital.
Diagrama de bloques de funciones de los módulos 5034-UB8 y
5034-UB8XT

Atributo | 5034-UB8, 5034-UB8XT |
|---|---|
Rango de voltajes en estado activado | 10…30 VCC |
Corriente en estado activado, mín. | 2 mA |
Corriente en estado activado, nom. | 4.5 mA |
Corriente en estado activado, máx. | 5 mA |
Voltaje de estado desactivado, máx. | 5 VCC |
Corriente en estado desactivado, máx. | 1.5 mA |
Impedancia de entrada, mín. | 2 kΩ a 10 VCC |
Impedancia de entrada, nom. | 5.3 kΩ a 24 VCC |
Impedancia de entrada, máx. | 15 kΩ a 30 VCC |
Tiempo de retardo de entrada (tornillo a backplane), máx. Desactivado a activado Activado a desactivado | 250 µs |
Anchura de impulso de entrada, mín. Desactivado a activado Activado a desactivado | 250 µs |
Tiempo de filtro de entrada Desactivado a activado Activado a desactivado | 0 μs, 500 μs, 1 ms (predeterminado), 2 ms, 5 ms, 10 ms, 20
ms, 50 ms |
Contadores simples, frecuencia de contador | 0...f máx. = 2000 Hz |
Sello de hora de entradas (secuencia de eventos) | Sí, exactitud de ±200 μs |
Eventos | No admitido |
Atributo | 5034-UB8, 5034-UB8XT |
|---|---|
Rango de voltajes en estado activado | 10…30 VCC |
Caída de tensión de estado activado, máx. | 0.25 VCC |
Corriente en estado activado por punto, mín. | 1.0 mA |
Voltaje de estado desactivado, máx. Detección de cable abierto en estado desactivado
inhabilitada | 5 VCC con 1 mA de carga mín. |
Voltaje de estado desactivado, máx. Detección de cable abierto en estado desactivado
habilitada | 5 VCC con 5 mA de carga mín. |
Corriente de fuga en estado desactivado, por punto, máx. Detección de cable abierto en estado desactivado
inhabilitada | 0.1 mA |
Corriente de fuga en estado desactivado por punto,
máx. (1) Detección de cable abierto en estado desactivado
habilitada | 0.5 mA |
Corriente de salida nominal por punto, máx. | 0.5 A |
Corriente de salida nominal por módulo, máx. | 4 A |
Corriente pico por punto, máx. | 1.2 A durante 10 ms, repetible cada 3 s |
Carga inductiva permitida, máx. | 1.2 H |
Voltaje de fijación de salida para carga inductiva cuando se
desactiva | (voltaje de SA + VCL)...0 Valor VCL: mínimo es –63 V, típico es –55 V, máximo es –49
V Para obtener más información consulte el Manual del usuario –
Módulos de E/S digitales PointMax, publicación 5034-UM002. |
Tiempo de retardo de salida (backplane a tornillo), máx. Desactivado a activado Activado a desactivado | 150 μs a 0.5 A |
Anchura de impulso, mín. | 200 µs |
Salidas programadas | Compatible, exactitud ±100 μs |
Diagnósticos de detección de carga abierta | Sí, configurable (el valor predeterminado es desactivado) |
Detección de cortocircuito/sobrecarga de salida | Sí |
Protección contra cortocircuito/sobrecarga de salida | Sí |
Clasificación de servicio de piloto | Corriente de entrada al momento del arranque de 1.2 A,
corriente nominal de 0.5 A, DC-14 |
Estados de salida en modo de programación por punto | Retener último estado Activado Desactivado (predeterminado) |
Estados de salida en modo de fallo por punto | Retener último estado Activado Desactivado (predeterminado) |
Duración del modo de fallo por punto | 1 s 2 s 5 s 10 s Indefinidamente (predeterminado) |
Estado final de salida después de modo de fallo por punto | Activado Desactivado (predeterminado) |
(1) Resistencia de carga recomendada: Para limitar los
efectos de la corriente de fuga a través de salidas de
estado sólido, puede conectar una resistencia de carga en
paralelo con la carga. En el caso del funcionamiento de 24
VCC, utilice una resistencia de 5.6 kΩ, 0.5 W para el
funcionamiento del transistor. | |
Atributo | 5034-UB8, 5034-UB8XT |
|---|---|
Número de entradas/salidas | 8 canales, configurables, entrada drenadora, salida
surtidora |
Voltaje de alimentación eléctrica de SA, nom. | 24 VCC |
Rango de voltaje de la alimentación eléctrica de SA | 10…30 VCC |
Corriente de alimentación eléctrica de SA, nom. | 4.1 A |
Corriente de alimentación eléctrica de SA, máx. | 4.2 A |
Corriente de alimentación eléctrica de SA sin carga | 14 mA |
Protección contra inversión de polaridad SA | Sí |
Rango de voltajes SSV | Siga la fuente de alimentación de SA |
Corriente SSV, máx. | 0.8 A |
Detección de cortocircuito SSV | Sí |
Disipación de energía, máx. (1) | 1.36 W |
Disipación térmica, máx. (1) | 4.63 BTU/h |
Voltaje de aislamiento | 250 V (régimen continuo), tipo de aislamiento básico, sistema
a campo Sin aislamiento entre los puertos de entrada/salida y la
alimentación eléctrica de SA Sin aislamiento entre puertos de entrada/salida
individuales |
Compatibilidad con RIUP | Sí |
CIP Sync | Reloj común de solo esclavo |
Codificación electrónica | Codificación electrónica mediante software de
programación |
Posiciones de la llave del RTB (ranura) | 1, 5, 8 |
RTB compatible | 5034-RTB18, 5034-RTB18S, 5034-RTB24S |
Categoría de cableado (2) | 2: puertos de señal 2: puertos de alimentación eléctrica |
Especificaciones de cableado | Consulte las especificaciones de cableado de los bloques de
terminales extraíbles en los Datos técnicos –
Especificaciones del sistema E/S PointMax, publicación 5034-TD001 |
Indicadores | 1 indicador de estado de módulo verde/rojo 1 indicador de estado de alimentación eléctrica de SA
verde/rojo 8 indicadores de estado de E/S amarillos/rojos |
Dimensiones aproximadas (alto × ancho × profundidad) | 123.6 × 15.0 × 66.4 mm (4.87 × 0.59 × 2.61 pulg.) |
Peso aprox. | 45.0 g (1.59 oz) – 5034-UB8 47.0 g (1.66 oz) – 5034-UB8XT |
Tipo de envolvente | Ninguna (estilo abierto) |
Código de temperatura norteamericano | T4 |
Código de temperatura UKEX/ATEX | T4 |
Código de temperatura IECEx | T4 |
(1) El valor se mide a 60 °C (140 °F). La disipación de
energía varía con la temperatura. (2) Utilice esta información sobre las categorías de
conductores para planificar la instalación de conductores.
Consulte el documento Pautas de cableado y conexión a tierra
de equipos de automatización industrial, publicación 1770-4.1. Utilice
esta información sobre categoría de conductores para
planificar la instalación de conductores como se describe en
el correspondiente manual de instalación a nivel de
sistema. | |
Entregue su opinión