MOD y SA de alimentación eléctrica de expansión 5034-EXP y 5034-EXPXT
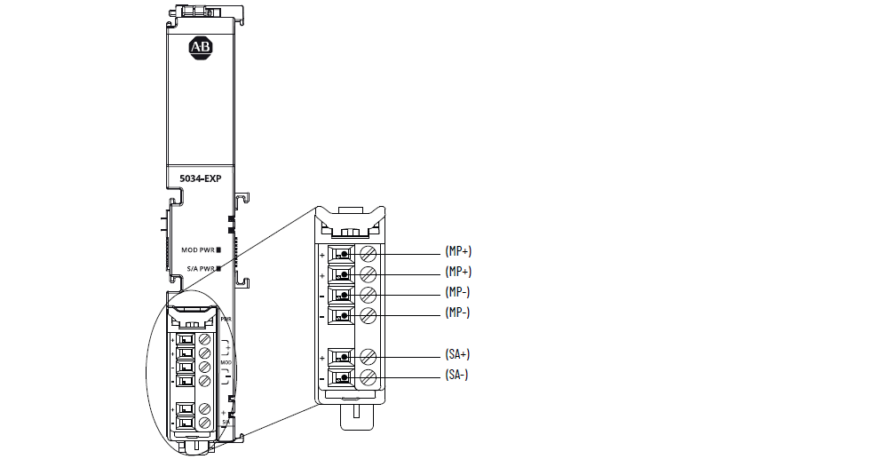
Diagrama de 5034-EXP y 5034-EXPXT

Atributo | 5034-EXP, 5034-EXPXT |
|---|---|
Número de MB aceptados | 16 para 18...30 VCC 8 para 10...18 VCC |
Voltaje MP, nom. | 24 VCC, SELV |
Rango de voltajes MP | 10…30 VCC, SELV |
Corriente MP, nom. | 420 mA a 24 VCC |
Corriente MP, máx. | 550 mA a 10 VCC (8 MB) 590 mA a 18 VCC (16 MB) 370 mA a 30 VCC (16 MB) |
Corriente de entrada al momento del arranque MP, máx. | 6 A para 10 ms a 24 VCC SELV |
Rango de voltajes de funcionamiento de la alimentación eléctrica de SA | 10…30 VCC, SELV |
Corriente de alimentación eléctrica de SA, máx. | 10 A No supere un consumo de corriente de 10 A en el RTB de alimentación eléctrica de SA. |
Corriente de alimentación eléctrica de SA sin carga | 2 mA |
Voltaje de BP | 16 VCC |
Corriente de BP, máx. | 250 mA (8 MB) 500 mA (16 MB) |
Disipación de energía, máx. | 1.7 W |
Disipación térmica, máx. | 5.8 BTU/h |
Voltaje de aislamiento | 250 V (régimen continuo), aislamiento básico, SA a backplane 250 V (régimen continuo), aislamiento básico, SA a MP 60 V (régimen continuo), aislamiento básico, MP a backplane |
RTB compatible | Un RTB se envía con la alimentación eléctrica de expansión. Puede pedir por separado de tipo tornillo (5034-AENRTB-QTY5) y de tipo resorte de encaje a presión (5034-AENRTBS-QTY5). |
Categoría de cableado (1) | 2: puertos de alimentación eléctrica |
Especificaciones de cableado | Consulte las especificaciones de cableado de los bloques de terminales extraíbles en los Datos técnicos – Especificaciones del sistema E/S PointMax, publicación 5034-TD001 |
Indicadores | 1 indicador de estado de potencia de módulo verde/rojo 1 indicador de estado de alimentación eléctrica de SA verde |
Dimensiones aproximadas (alto × ancho × profundidad) | 131.7 × 20.0 × 75 mm (5.19 × 0.79 × 2.95 pulg.) |
Peso aprox. | 109 g (3.84 oz) – 5034-EXP 111 g (3.91 oz) – 5034-EXPXT |
Tipo de envolvente | Ninguna (estilo abierto) |
Código de temperatura norteamericano | T4 |
Código de temperatura UKEX/ATEX | T4 |
Código de temperatura IECEx | T4 |
(1) Utilice esta información sobre las categorías de conductores para planificar la instalación de conductores. Consulte el documento Pautas de cableado y conexión a tierra de equipos de automatización industrial, publicación 1770-4.1. Utilice esta información sobre categoría de conductores para planificar la instalación de conductores como se describe en el correspondiente manual de instalación a nivel de sistema. | |
Entregue su opinión