Especificaciones

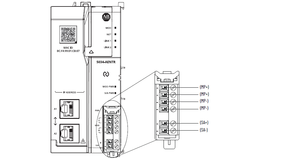
Diagrama de cableado de los módulos 5034-AENTR y 5034-AENTRXT
Especificaciones técnicas – 5034-AENTR, 5034-AENTRXT
Atributo
5034-AENTR, 5034-AENTRXT
Número de módulos de E/S locales admitidos
32
Se requiere 5034-EXP o 5034-EXPXT cuando se utilizan más de 16 módulos de E/S.
Número de MB aceptados
16 para 18...30 VCC
8 para 10...18 VCC
Voltaje MP, nom.
24 VCC SELV
Rango de voltajes MP
10…30 VCC SELV
Corriente MP, nom.
0.6 A a 24 VCC
Corriente MP, máx.
850 mA a 10 VCC (8 MB)
800 mA a 18 VCC (16 MB)
500 mA a 30 VCC (16 MB)
Voltaje y corriente nominales, MP al momento del arranque, máx
6 A para 10 ms a 24 VCC SELV
Voltaje y corriente nominales, SA
10...30 VCC SELV, 10 A
No supere un consumo de corriente de 10 A en el RTB de alimentación eléctrica de SA
Voltaje y corriente nominales, backplane
16 VCC, 300 mA max (8 MB)
16 VCC, 600 mA max (16 MB)
Corriente de alimentación eléctrica de SA sin carga
2 mA
Disipación de energía, máx.
3.6 W
Disipación térmica, máx.
12.3 BTU/h
Voltaje de aislamiento
250 V (régimen continuo), aislamiento básico, SA a backplane
250 V (régimen continuo), aislamiento básico, SA a MP
250 V (régimen continuo), aislamiento básico, puerto Ethernet a SA
60 V (régimen continuo), aislamiento básico, MP a backplane
60 V (régimen continuo), aislamiento básico, puerto Ethernet a MP
60 V (régimen continuo), aislamiento básico, puerto Ethernet a backplane
Sin aislamiento entre puertos Ethernet
RTB compatible
Con el adaptador se incluye una tapa de extremo y un bloque de terminales extraíble.
Puede pedir por separado RTB de tipo tornillo (5034-AENRTB-QTY5) y de tipo resorte de encaje a presión (5034-AENRTBS-QTY5).
Categoría de cableado
(1)
2: puertos de alimentación eléctrica
2: puertos Ethernet
Especificaciones de cableado
Consulte las especificaciones de cableado de los bloques de terminales extraíbles en los Datos técnicos – Especificaciones del sistema E/S PointMax, publicación 5034-TD001
Indicadores
1 indicador de estado de módulo verde/rojo
1 indicador de estado de la red verde/rojo
2 indicadores de estado de conexión de red verde/rojo
1 indicador de estado de potencia de módulo verde/rojo
1 indicador de estado de alimentación eléctrica de SA verde
Dimensiones aproximadas (alto × ancho × profundidad)
131.74 × 62.65 × 76 mm (5.18 × 2.46 × 2.99 pulg.)
Peso aprox.
200 g (7.05 oz) – 5034-AENTR
202 g (7.13 oz) – 5034-AENTRXT
Tipo de envolvente
Ninguna (estilo abierto)
Código de temperatura norteamericano
T4
Código de temperatura UKEX/ATEX
T4
Código de temperatura IECEx
T4
(1) Utilice esta información sobre las categorías de conductores para planificar la instalación de conductores. Consulte el documento Pautas de cableado y conexión a tierra de equipos de automatización industrial, publicación 1770-4.1. Utilice esta información sobre categoría de conductores para planificar la instalación de conductores como se describe en el correspondiente manual de instalación a nivel de sistema.
Entregue su opinión
¿Tiene dudas o comentarios acerca de esta documentación? Por favor deje su opinión aquí.
Normal