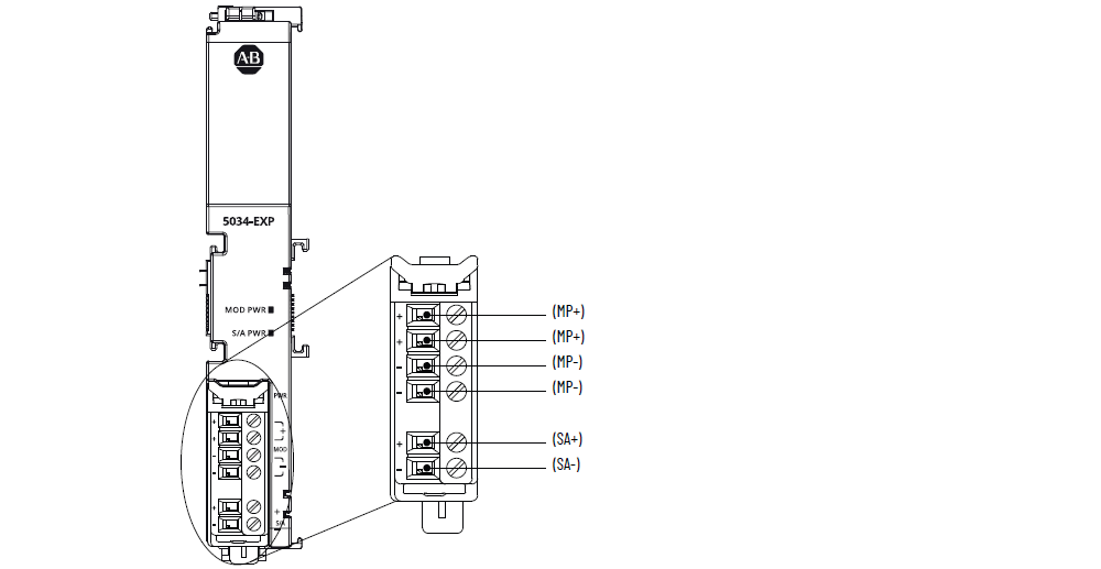
5034-EXP and 5034-EXPXT Expansion Power MOD and SA
5034-EXP and 5034-EXPXT Diagram

Attribute | 5034-EXP, 5034-EXPXT |
|---|---|
Number of MB supported | 16 for 18…30V DC 8 for 10…18V DC |
MP voltage, nom | 24V DC, SELV |
MP voltage range | 10…30V DC, SELV |
MP current, nom | 420 mA @ 24V DC |
MP current, max | 550 mA @ 10 V DC (8 MB) 590 mA @ 18 V DC (16 MB) 370 mA @ 30 V DC (16 MB) |
MP inrush current, max | 6 A for 10 ms @ 24V DC SELV |
SA power operating voltage range | 10…30V DC, SELV |
SA power current, max | 10 A Do not exceed 10 A current draw at the SA power RTB. |
SA power current at no load | 2 mA |
BP voltage | 16V DC |
BP current, max | 250 mA (8 MB) 500 mA (16 MB) |
Power dissipation, max | 1.7 W |
Thermal dissipation, max | 5.8 BTU/hr |
Isolation voltage | 250V (continuous), Basic Isolation, SA to backplane 250V (continuous), Basic Isolation, SA to MP 60V (continuous), Basic Isolation, MP to backplane |
RTB supported | An RTB ships with the expansion power. You can order additional screw-type (5034-AENRTB-QTY5) and
push-in spring-type (5034-AENRTBS-QTY5) separately. |
Wiring category (1) | 2 - Power ports |
Wiring specification | See Wiring Specifications for Removable Terminal Blocks in
the PointMax I/O System Specifications Technical Data,
publication 5034-TD001 |
Indicators | 1 green module power status indicator 1 green SA power status indicator |
Dimensions (HxWxD), approx | 131.7 x 20.0 x 75 mm (5.19 x 0.79 x 2.95 in.) |
Weight, approx | 109 g (3.84 oz.) – 5034-EXP 111 g (3.91 oz.) – 5034-EXPXT |
Enclosure type | None (Open-style) |
North American temp code | T4 |
UKEX/ATEX temp code | T4 |
IECEx temp code | T4 |
(1) Use this Conductor Category information for planning
conductor routing. See the Industrial Automation Wiring and
Grounding Guidelines, publication 1770-4.1. Use this
Conductor Category information for planning conductor
routing as described in the appropriate System Level
Installation Manual. | |
Provide Feedback