5034-AENTR and 5034-AENTRXT EtherNet/IP Adapter

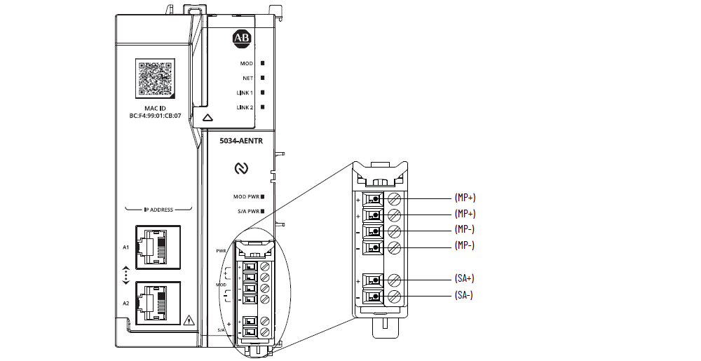
5034-AENTR and 5034-AENTRXT Wiring Diagram
Technical Specifications - 5034-AENTR, 5034-AENTRXT
Attribute
5034-AENTR, 5034-AENTRXT
Number of I/O modules supported
32
A 5034-EXP or 5034-EXPXT is required when using more than 16 I/O modules.
Number of MB supported
16 for 18…30V DC
8 for 10…18V DC
MP voltage, nom
24V DC SELV
MP voltage range
10…30V DC SELV
MP current, nom
0.6 A @ 24V DC
MP current, max
850 mA @ 10V DC (8 MB)
800 mA @ 18V DC (16 MB)
500 mA @ 30V DC (16 MB)
Voltage and current ratings, MP inrush, max
6 A for 10 ms @ 24V DC SELV
Voltage and current ratings, SA
10…30V DC SELV, 10 A
Do not exceed 10 A current draw at the SA power RTB
Voltage and current ratings, backplane
16V DC, 300 mA max (8 MB)
16V DC, 600 mA max (16 MB)
SA power current at no load
2 mA
Power dissipation, max
3.6 W
Thermal dissipation, max
12.3 BTU/hr
Isolation voltage
250V (continuous), Basic Isolation, SA to backplane
250V (continuous), Basic Isolation, SA to MP
250V (continuous), Basic Isolation, Ethernet port to SA
60V (continuous), Basic Isolation, MP to backplane
60V (continuous), Basic Isolation, Ethernet port to MP
60V (continuous), Basic Isolation, Ethernet port to backplane
No isolation between Ethernet ports
RTB supported
An RTB and end cap ships with the adapter.
You can order additional screw-type (5034-AENRTB-QTY5) and push-in spring-type (5034-AENRTBS-QTY5) RTBs separately.
Wiring category
(1)
2 - Power ports
2 - Ethernet ports
Wiring specification
Indicators
1 green/red module status indicator
1 green/red network status indicator
2 green/red network connection status indicators
1 green module power status indicator
1 green SA power status indicator
Dimensions (HxWxD), approx
131.74 x 62.65 x 76 mm (5.18 x 2.46 x 2.99 in.)
Weight, approx
200 g (7.05 oz.) – 5034-AENTR
202 g (7.13 oz.) – 5034-AENTRXT
Enclosure type
None (Open-style)
North American temp code
T4
UKEX/ATEX temp code
T4
IECEx temp code
T4
(1) Use this Conductor Category information for planning conductor routing. See the Industrial Automation Wiring and Grounding Guidelines, publication 1770-4.1. Use this Conductor Category information for planning conductor routing as described in the appropriate System Level Installation Manual.
Provide Feedback
Have questions or feedback about this documentation? Please submit your feedback here.
Normal