5034-OF4 and 5034-OF4XT Analog 4 Output Modules

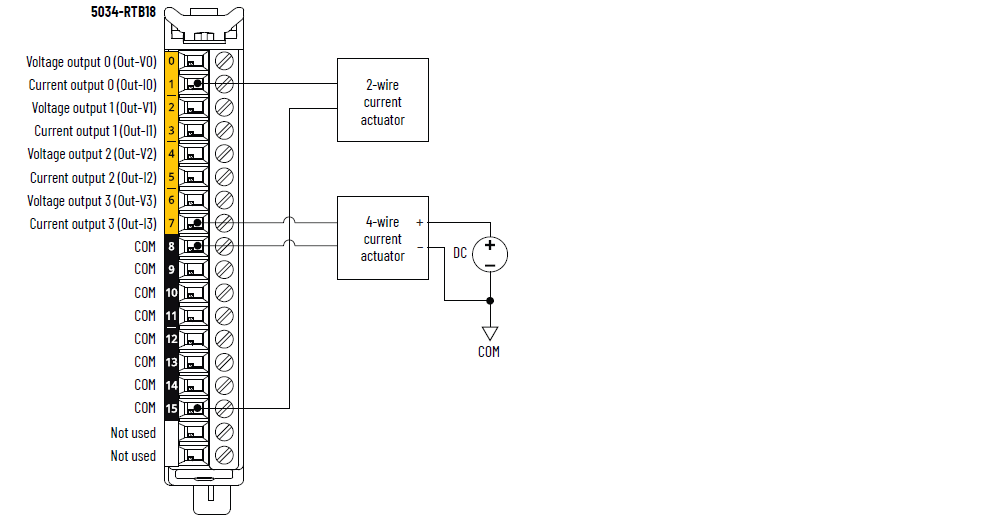
5034-OF4 and 5034-OF4XT Wiring Diagram – Current Mode
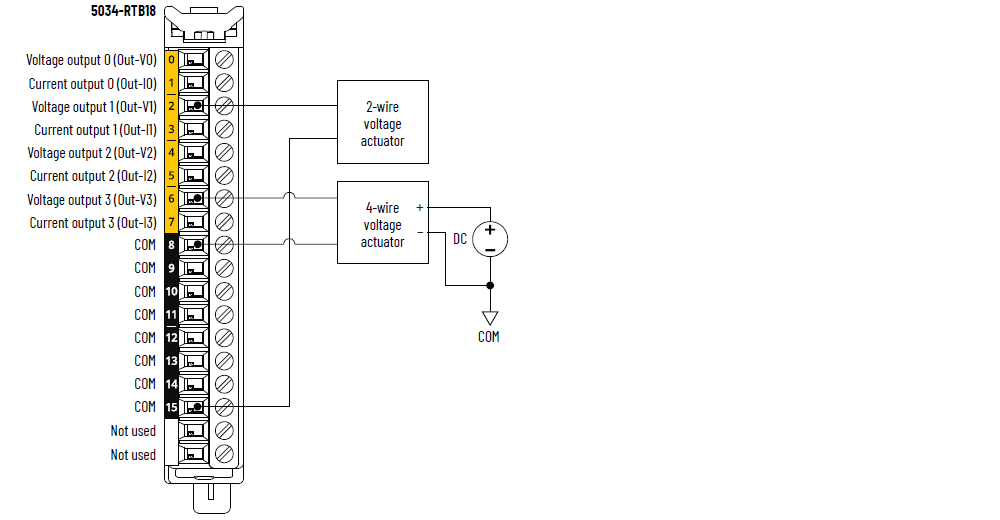
5034-OF4 and 5034-OF4XT Wiring Diagram – Voltage Mode
5034-OF4 and 5034-OF4XT Functional Block Diagram
Technical Specifications - 5034-OF4, 5034-OF4XT
Attribute
5034-OF4, 5034-OF4XT
Output range, voltage
±10V
0…10V
0…5V
Output range, current
0…20 mA
4…20 mA
Resolution, voltage
±10V: 15 bits
0…10V: 16 bits
0…5V: 16 bits
Resolution, current
16 bits
Calibrated accuracy at 25 °C (77 °F)
Voltage: 0.10% full scale
Current: 0.10% full scale
Calibrated accuracy over full temperature range
-25…+60 °C (-13…+140 °F)
Voltage: 0.2% full scale
Current: 0.2% full scale
Drive capability
Voltage: 3000 Ω min
Current: 500 Ω max
Capacitive load, max (voltage mode only)
1 µF
Inductive load, max (current mode only)
1 mH
HART handheld compliance
Yes
Open wire detection
Current mode only
Short circuit detection
Voltage mode only – Output electronically limited to 16 mA or less
Data format
IEEE 754
32-bit floating point
Module conversion method
DAC
Update rate
1 channel: 0.2 ms
All channels: 0.4 ms
Step response time to 63% of full scale per channel
Voltage mode: 0.07 ms typical
Current mode: 0.4 ms typical
Backplane to screw response time (63% of full scale)
Voltage mode
1 channel: 0.5 ms typical
All channels: 1 ms typical
Current mode:
1 channel: 0.9 ms typical
All channels: 1.4 ms typical
Overvoltage protection, max
32V DC
General Specifications - 5034-OF4, 5034-OF4XT
Attribute
5034-OF4, 5034-OF4XT
Number of outputs
4 channels, single-ended
Configurable voltage or current mode at channel level
SA power voltage, nom
24V DC
SA power voltage range
10…30V DC
SA power current, nom
100 mA
SA power current, max
0.25 A
SA power current at no load
40 mA
SA reverse polarity protection
Yes
Power dissipation, max
0.95 W
Thermal dissipation, max
3.24 BTU/hr
Isolation voltage
250V (continuous), Basic Insulation Type, System to Field
No isolation between SA power and output ports
No isolation between individual output ports
Calibration
Factory-calibrated
Manual calibration supported, see PointMax Analog I/O Modules User Manual, publication 5034-UM003
RIUP support
Yes
Electronic keying
Electronic keying via programming software
RTB key positions (slot)
2, 5, 10
RTB supported
5034-RTB18, 5034-RTB18S
Wiring category
(1)
2 - Signal ports
2 - Power ports
Wiring specification
See Wiring Specifications for Removable Terminal Blocks in the PointMax I/O System Specifications Technical Data, publication 5034-TD001
Indicators
1 green/red module status indicator
1 green/red SA power status indicator
4 yellow/red I/O status indicators
Dimensions (HxWxD), approx
123.6 x 15.0 x 66.4 mm (4.87 x 0.59 x 2.61 in.)
Weight, approx
47.0 g (1.66 oz.) – 5034-OF4
49.0 g (1.73 oz.) – 5034-OF4XT
Enclosure type
None (Open-style)
North American temp code
T4
UKEX/ATEX temp code
T4
IECEx temp code
T4
(1) Use this Conductor Category information for planning conductor routing. See the Industrial Automation Wiring and Grounding Guidelines, publication 1770-4.1. Use this Conductor Category information for planning conductor routing as described in the appropriate System Level Installation Manual.
Provide Feedback
Have questions or feedback about this documentation? Please submit your feedback here.
Normal